A A A A Автор Тема: Журнал радионаблюдений метеоров  (Прочитано 136896 раз)

0 Пользователей и 1 Гость просматривают эту тему.

Оффлайн Alexandr_V

  • *****
  • Сообщений: 1 999
  • Благодарностей: 165
  • Melezhy Astrophoto Observatory L72
    • Сообщения от Alexandr_V
Re: Радионаблюдения метеоров
« Ответ #120 : 17 Мар 2008 [13:43:11] »
Вы занимаетесь интересными вещами. Мне хотелось бы взглянуть на алгоритмы обработки сигналов.
Что касается скорости метеоров, то боюсь Вы ошибаетесь. Отражение происходит не от самого метеора, а от его следа, который никуда не движется.
« Последнее редактирование: 17 Мар 2008 [13:44:53] от Alexandr_V »
BKP2501OTA+paracorr II, QHY9m, WS180GT, Starlight Lodestar X2, off-axis guide;
ED80+0.85ред, QHY8L, DS90/500 QHY6 guide;
Мои фотоработы

Оффлайн 1212Lupus

  • *****
  • Сообщений: 3 094
  • Благодарностей: 196
  • Мне стал не очень нравиться этот форум...
    • Сообщения от 1212Lupus
    • http://belastro.net
Re: Радионаблюдения метеоров
« Ответ #121 : 17 Мая 2008 [23:34:52] »
Для интересующихся: я собрал на странице нашей минской группы наблюдателей "infinity" "Данные по радионаблюдениям метеоров в сети INTERNET в режиме реального времени". Данные по радиометеорам за последние 48 часов, за последний год -- на разных частотах, сделанные профессионалами и любителями. Также есть карты гроз над Центральной Европой, состояние ионосферы и мезосферных ветров.
Недавно появилась возможность прослушивать (и записывать) радиоэфир приёмных комплексов корифеев радиометеорной нивы -- G7IZU Broadcast - 24k Stereo -- используя INTERNET. Т.е. можно одновременно анализировать данные из Англии, и сравнивать со своими.

Кроме того, напомню где можно следить за радиометеорной активностью, фиксируемой любителями:

RMOB -- Radio Meteor Obs Bulletin. Самый известный архив радионаблюдений метеоров, сделанных любителями. Данные с 1993 г. по настоящее время. Ежемесячные отчёт в виде таблиц активности по дням от участников проекта. Де-факто международный центр любительской радиометеорной активности. Де-юре этим центром явлется, естественно, IMO.
RMOJ -- Radio Meteor Observation in Japan. Архив наблюдений радиометеоров японских любителей.
PARMO - "POLISH AMATEUR RADIO METEOR OBSERVATIONS". Данные польских радиометеорщиков.

На счёт софта по радионаблюдениям:

METEOR v.8.0, MCT5(X), ColorGramme v.3.2 -- используют сигнал с СОМ-порта, в который подсоединён самодельный интерфейс, в который, в свою очередь, заводится аналоговый сигнал с приёмника. Схема интерфейса по деталям -- проста как репа, на коленках спаять можно. Метериалы по интерфейсу: http://radio.meteor.free.fr/us/electro.html. Там сказано, что этот интерфейс для FM-приёмников, но пойдёт любой -- лишь бы сигнал на выходе приёмника подскакивал с шумового уровня до 0,5-1 В при приходе сигнала от метеора.
Можно выставлять уровни срабатывания, учитывают кривизну уровня шума, сохраняют данные сразу в трёх общепринятых стандартах (см. ниже), автоматически подсчитывают число метеоров и строят кривые или гистограммы числа сигналов от времени... Но есть "ложка дёгтя": они работают либо под "честный" DOS (METEOR v.8.0, MCT5(X)) (т.е. не эмулятор, как в Windows XP), либо под винду не старше 98-й... Типа, не смогли преодолеть того момента, что в винде ХР матрица программного доступа к внешнем устройствам не обнулена, как в 98-й, и к СОМ-порту так просто не достучишься. Хотя есть куча бесплатных библиотек, которые это позволяют сделать. Но видно ленились программисты. Кроме того, эти программы часто используют для круглосуточного мониторинга, поэтому используют малопотребляющие компьютеры (х486 и т.д.), где Windows XP попросту не сможет работать.

M-Analyzer, R_meteor v.1.01, Radio v.5.1, HROFFT v.1.0, Spectrum Lab, RadioRecorder -- все используют сигнал с выхода приёмника на звуковую карту ПК (Line-in вход). Метеоры считать надо вручную.

M-Analyzer: надо использовать SSB режим. Прграмма так себе, сохраняет картинки уровня сигнала в виде тонких полосок. Подробнее посмотреть можно на сайте Илкки Урьёлля -- это его прога.

R_meteor: тоже надо SSB приёмник, строит FFT-спетрограммы, которые сохранять можно. По картинкам спектров определяются скорости метеоров, но считать надо вручную.

HROFFT: третья "стандартная" (после METEOR и ColorGramme) прога для радионаблюдений метеоров. Именно программы, METEOR v.8.0, MCT5(X), ColorGramme и HROFFT, задали стандарт выходных ASCII-файлов с данными, который сейчас неоффициально принят (т.н. RMOB-стандарт и HROFFT-стандарт. Есть ещё SCA-стандарт, но он тоже генерируется METEOR). Программа японская, моя гордость в плане "трофея" -- с трудом удалось связаться с автором проги и выпросить её. Хоть и стандарт, но распространяется только после обращения к автору по электронной почте. Написана давно, адреса изменились, а исправить их автор на своём сайте забыл. Тоже строит FFT-спектрограммы, очент неприхотлива. Сохраняет картинки со спектрами автоматически в папку. Но метеоры надо считать самим.

RadioRecorder -- прога Сергея Марченко, написана специально по просьюе нашего белорусского любителя астрономии Ивана Сергея. Заточена под анализ FM-сигнала. Но ещё слишком сырая -- уровни срабатывания не отображаются, следовательно непонятно как их выставлять "на глаз". Но зато пишет куски эфира, в котрых зарегистрировала МРс, пишет логи событий, строит гистограммы активности. Вот только "ловит" лишь наиболее сильные и средние по интенсивности сигналы. Если заинтересует -- вышлю обновлённую версию (не успел ещё на сайт кинуть).

Spectrum Lab -- программа-зверь! Просто матёрая зверюга. :D Самая свежая версия -- на сайте автора http://www.qsl.net/dl4yhf/spectra1.html. Это программа не для наблюдения метеоров, а для анализа звукового потока с саунд-карты. Есть версия для радиолюбителей. Позволяет управлять поворотом антенны, строит FFT-спектры, имеет программируемые фильтры, гибкую систему настройки скриншотов в файл, а наличие собственного скриптового языка превращает её в настолько мощное орудие, что просто впадаешь в ступор. Не даром ею пользуются многие радиометеорщики, в том числе и такие корифеи, как Andy Smith... До сих пор мы с ней ковыряемся -- всё нет времени нормально изучить скриптовый язык. Кое-чего тестируем, Andy нам подкинул пару скриптов. Но программа очень хороша. Едва ли найдётся более лучшая для радионаблюдений метеоров на базе звуковой карты. К тому же, программа абсолютно бесплатная.

Весь этот софт можно скачать ОТСЮДА.
« Последнее редактирование: 17 Мая 2008 [23:38:58] от 1212Lupus »
Радиоастрономы-любители -- объединяемся!


Если утро наступает в три -
Через два часа уже зажгут фонари.
Уже кончился день, а я только встал,
А я только что встал и уже устал.
(с) НОЛЬ

Оффлайн Taliya

  • Новичок
  • *
  • Забанен!
  • Сообщений: 5
  • Благодарностей: 0
    • Сообщения от Taliya
Re: Радионаблюдения метеоров
« Ответ #122 : 06 Сен 2008 [00:57:59] »
народ почитайте про метиорную радиосвязь к примеру http://forum.vhfdx.ru/ms/

Оффлайн BARS1996

  • ****
  • Сообщений: 253
  • Благодарностей: 2
    • Сообщения от BARS1996
    • 8-910-409-99-90
Re: Насчет обычных приемников
« Ответ #123 : 06 Сен 2008 [16:22:27] »
   Всем доброго времени суток. Хочу высказать свое мнение по поводу использования обычных радиоприемников.
   Я думаю, что использовать обычные приемники вообще нельзя.
При передаче сигнала используется два типа замешивания полезного сигнала в несущую частоту: это амплитудная модуляция   (изменяется амплитуда несущей в соответствии с частотой передаваемых звуковых колебаний) и частотная модуляция (изменение частоты несущей в небольших пределах в соответствии с частотой передаваемых звуковых колебаний).
   Соответственно в приемнике стоит амплитудный детектор для первого случая и частотный для второго.
Для всех диапазонов УКВ ( FM   по импортному) применяется только частотная модуляция   ---   ( наш случай).
После приема  сигнала с антенны  колебательный контур отфильтровывает сигнал который передается на нашей несущей частоте, затем немного усиливается. Там стоит АРУ (система автоматического регулирования усиления которая вытягивает амплитуду сигнала до определенного уровня независимо от силы сигнала !!!). Потом в смесителе к нашему сигналу замешивается сигнал с генератора колебаний (называется супергетеродин) который генерит колебания ровно на 455 килогерц  меньше чем та частота на которую настроен приемник. На выходе смесителя получаем сигнал  разности частот НАШЕЙ и СУПЕРГЕТЕРОДИНА  ---  а разность этих сигналов как раз и есть 455 килогерц все также так же с частотнозамешанным в него нашим полезным звуковым сигналом.  Это называется ПЧ или сигнал промежуточной частоты. Далее идет УПЧЗ (усилитель промежуточной частоты звуковой).
     В любом приемнике вы найдете кварцевый резонатор на 455 килогерц (маленький 4х5х3 мм скорее красный снадписью 455).
     Сигнал ПЧ (455 килогерц стандарт для всех приемников) и далее усиливается, фильтруется колебательными контурами и фильтрами и поступает в ЧАСТОТНЫЙ ДЕТЕКТОР где наш полезный сигнал распознается как  гуляние частоты в небольших пределах в такт с колебаниями передаваемого сигнала звуковой частоты.
     Далее небольшой усилитель И НАКОНЕЦ ГНЕЗДО ЛИНЕЙНОГО ВЫХОДА, потом регулятор громкости и выходной усилитель мощности. 
     А мы хотим увидеть всплеск амплитуды отраженного от метеорного следа !!!
     Ведь там стоит АРУ. А на гуляние частоты может повлиять только движение шлейфа от которого отражается сигнал радиостанции к нам или от нас (эффект Доплера) и то это единичный всплеск, а не звуковая частота. А звуковой тракт приемника 20 – 18000 герц -  он этот всплеск никак на выходе не даст ( ниже 20 герц ну никак).
      Такой приемник может только показать есть несущая выше определенного уровня в эфире или нет,
 даже уровень сигнала никак не измерить.
     Так что, то что мы можем с помощью такого приемника увидеть это вторичные возмущения, помехи и гармоники.
     Приемник должен быть СПЕЦИАЛЬНЫМ или переделанным  -  мое мнение дилитанта в радионаблюдениях.
     

« Последнее редактирование: 22 Сен 2008 [02:24:14] от BARS1996 »
бинокль
CELESTRON NexStar 130 GT-SA
SKY-WATCHER SKP25012EQ6

Оффлайн Alexandr_V

  • *****
  • Сообщений: 1 999
  • Благодарностей: 165
  • Melezhy Astrophoto Observatory L72
    • Сообщения от Alexandr_V
Re: Насчет обычных приемников
« Ответ #124 : 08 Сен 2008 [16:09:43] »
     А мы хотим увидеть всплеск амплитуды отраженного от метеорного следа !!!
     Ведь там стоит АРУ. А на гуляние частоты может повлиять только движение шлейфа от которого отражается сигнал радиостанции к нам или от нас (эффект Доплера) и то это единичный всплеск, а не звуковая частота. А звуковой тракт приемника 20 – 18000 герц -  он этот всплеск никак на выходе не даст ( ниже 20 герц ну никак).
Давайте определимся, что именно мы собираемся принимать. Радиосигнал, излученный далекой радиостанцией, в точке наблюдения не виден. Когда пролетает метеор, возникает отражение ионосферной волны от метеорного следа и на короткое время (время рассеяния следа, 1.5-3 сек) возникает канал связи радиостанция-приемник. Поэтому фиксируется не "всплеск амплитуды", а вполне отчетливый сигнал с различимой модуляцией. И АРУ, кстати сказать, совершенно не мешает, а даже наоборот добавляет усиление слабому сигналу.
Здесь на форуме присутствуют люди, собаку съевшие, если повар не врет, на наблюдении метеоров. Неточности моего ответа, надеюсь они поправят. Есть записи таких сигналов в виде звуковых файлов, можно их послушать в качестве илюстрации.
Что касается эфекта Доплера, то реальная картина сложнее той, которую вы описали. Основное отражение действительно происходит от практически статического следа и имеет нулевой доплер. Но в первый момент, в момент пролета самого метеора, от него самого тоже происходит отражение. На спектрограммах, любезно предоставленных 1212Lupus, этот эффект хорошо заметен.

Приемник должен быть СПЕЦИАЛЬНЫМ или переделанным
А в чем на ваш взгляд должна состаять специфика приемника или переделки?
« Последнее редактирование: 08 Сен 2008 [16:13:32] от Alexandr_V »
BKP2501OTA+paracorr II, QHY9m, WS180GT, Starlight Lodestar X2, off-axis guide;
ED80+0.85ред, QHY8L, DS90/500 QHY6 guide;
Мои фотоработы

Оффлайн BARS1996

  • ****
  • Сообщений: 253
  • Благодарностей: 2
    • Сообщения от BARS1996
    • 8-910-409-99-90
Re: Радионаблюдения метеоров
« Ответ #125 : 08 Сен 2008 [21:49:46] »
Сразу скажу, я в вопросах антенн и радионаблюдений  не очень разбираюсь, я занимаюсь ремонтом теле, видео, компьютеров и другой бытовой электроники, а это немного разные вещи.
А теперь по сути.
В приемнике АРУ (автоматическое регулирование усиления) не усиливает слабый сигнал, а  наоборот управляет усилителем  для занижения  усиления,  тем самым делая амплитуду сигнала строго определенного уровня. Т.е. когда нет сигнала - усиление максимально. Когда слишком сильный - уровень усиления автоматически занижается.
Этот сигнал управления коэффициентом  усиления,  на схеме так и подписан -  АРУ и в приемнике имеет конкретный проводок. Напряжение на нем меняется от нуля до нескольких вольт и его можно мерить вольтметром, оно как раз и показывает уровень принимаемого сигнала  (как и отсутствие его).
Этот сигнал можно подать на вход звуковой карты,  но так как чувствительность звуковой карты составляет милливольты, сигнал АРУ надо подключать через делитель (переменный резистор, т.е. проще регулятор громкости).
Так как вход звуковой карты рассчитан на прием переменного (звукового сигнала), а мы собираемся подавать медленно изменяющийся порядка (1-3 секунды всплески - 1-3 Герца), в звуковой карте вместо входного развязывающего конденсатора надо поставить резистор.( К конденсатору идет проводок от входного разъема, а от него дальше к микросхеме АЦП (аналого-цифрового преобразователя), т.е. через этот конденсатор проходит входной сигнал. Конденсатор легко найти на плате звуковой карты отследив проводок идущий от входа к конденсатору.
    У звуковой карта минимум два входа (стерео). Поэтому можно записывать и сигнал с выхода радиоприемника.   
     Я бы оборвал проводок в приемнике с сигналом «мьют» который убирает громкость при отсутствии принимаемого сигнала радиостанции.
Антенну я бы взял обычную телевизионную решетку (ее диапазон как раз для наших целей) у которой в центре черная коробочка с усилителем и направил ее в сторону предполагаемого сигнала. Усилитель можно ставить, можно не ставить.
  И настроился бы на радиостанцию вещающую в соседнем городе.
бинокль
CELESTRON NexStar 130 GT-SA
SKY-WATCHER SKP25012EQ6

Оффлайн 1212Lupus

  • *****
  • Сообщений: 3 094
  • Благодарностей: 196
  • Мне стал не очень нравиться этот форум...
    • Сообщения от 1212Lupus
    • http://belastro.net
Re: Радионаблюдения метеоров
« Ответ #126 : 09 Сен 2008 [03:44:41] »
Цитата: BARS1996
А на гуляние частоты может повлиять только движение шлейфа от которого отражается сигнал радиостанции к нам или от нас (эффект Доплера) и то это единичный всплеск, а не звуковая частота.
Вообще-то, не единичный всплеск -- частота будет снижаться, т.к. "голова" метеора будет тормозиться в атмосфере, что и даст характерный сигнал "head echo":

(https://astronomy.ru/forum/index.php?action=dlattach;topic=42986.0;attach=144218;image)

(https://astronomy.ru/forum/index.php?action=dlattach;topic=42986.0;attach=141925;image)

Поэтому фиксируется не "всплеск амплитуды", а вполне отчетливый сигнал с различимой модуляцией.
Это так, если приёмник работает в SSB-режиме и настроен на частоту с отстройкой в 0,5-1,5 кГц от несущей ТВ-станции. В принципе, если на НЧ-выход приёмника поставить АЦП и принимать сигнал в режиме АМ, то демодулурованный сигнал будет в виде всплеска амплитуды:

Для слабых (т.н. ненасыщенных (underdanse) сигналов):

(http://www.imo.net/images/img15-538.png)

Для сильных (т.н. насыщенных (overdense) сигналов):

(http://www.imo.net/images/img16-539.png)

а мы собираемся подавать медленно изменяющийся порядка (1-3 секунды всплески - 1-3 Герца), в звуковой карте вместо входного развязывающего конденсатора надо поставить резистор.( К конденсатору идет проводок от входного разъема, а от него дальше к микросхеме АЦП (аналого-цифрового преобразователя), т.е. через этот конденсатор проходит входной сигнал.
Это всё справедливо только в случае приёма сигналов на приёмник в режиме АМ-модуляции. Причём, 80% сигналов будут короче 0,5 с, а характерное время спада интенсивности в "е" раз -- и того меньше. Если принимать в режиме SSB (с отстройкой), то несущая будет появлятся в момент пролёта метеора как тон частоты, равной отстройке, т.е. 0,5-1,5 кГц в нашем случае.

На счёт АРУ... По-хорошему, его надо бы отключать. IMHO.

Антенну я бы взял обычную телевизионную решетку (ее диапазон как раз для наших целей) у которой в центре черная коробочка с усилителем и направил ее в сторону предполагаемого сигнала. Усилитель можно ставить, можно не ставить.
  И настроился бы на радиостанцию вещающую в соседнем городе.
Можно и так. Правда надо нормально согласованная антенна, что в случае "решётки" сомнительно.
Радиоастрономы-любители -- объединяемся!


Если утро наступает в три -
Через два часа уже зажгут фонари.
Уже кончился день, а я только встал,
А я только что встал и уже устал.
(с) НОЛЬ

Оффлайн BARS1996

  • ****
  • Сообщений: 253
  • Благодарностей: 2
    • Сообщения от BARS1996
    • 8-910-409-99-90
Re: Радионаблюдения метеоров
« Ответ #127 : 09 Сен 2008 [11:05:22] »
Дело в том что звуковая карта и есть Аналого Цифровой Преобразователь (аналоговый сигнал подается на вход звуковой карты). А на выход на колонки идет сигнал с ЦифроАналогово Преобразователя. Звуковая карта это ЦАП и АЦП на одной плате. А их работа специализированна под звуковой диапазон. И если мы хотим подать сигнал с частотой менее 18 Гц, то лучще избавиться от конденсатора, тем самым расширив полосу пропускания входа звуковой карты.
Сигнал АРУ это точный показатель в вольтах наличия и мощьности сигнала. На схеме радиоприемника его легко найти. Я бы именно его
записывал и анализировал. А амплитудная или частотная модуляция тут непричем.
А выходной сигнал приемника  -- это если интересно послушать что там поет принимаемая радиостанция.
Антенна - да, дешовая и широкополосная. Но если точно определиться с частотами на которых мы хотим работать, то конечно надо расчитать, изготовить и согласовать антенну.
бинокль
CELESTRON NexStar 130 GT-SA
SKY-WATCHER SKP25012EQ6

Оффлайн BARS1996

  • ****
  • Сообщений: 253
  • Благодарностей: 2
    • Сообщения от BARS1996
    • 8-910-409-99-90
Re: Радионаблюдения метеоров
« Ответ #128 : 09 Сен 2008 [11:45:04] »
Вот фрагмент схемы приемника SONY. На микросхеме АРУ подписан как AGC. конденсатор подключенный к нему определяет плавность его наростания и спада (его можно уменьшить). Для поиска этого сигнала можно схему найти на приемник на сайте монитор точка нет точка ру или описание примененных микросхем на сайте оллдаташит. Или мне скажите какие микросхемы в Вашем приемнике и я Вам отвечу какая это ножка микросхемы. Посмотрите вольтметром (тестером) что там твориться. Подключать к компьютеру надо обязательно через резистор (делитель) и перед подключением сначала все обесточить, соединить общий провод компа и приемника (массу), иначе можно чтонибудь вывести из строя.(это вообще про все внешние устройства по отношению к компьютеру имеющие собственное подключение к электро сети)
« Последнее редактирование: 09 Сен 2008 [11:59:25] от BARS1996 »
бинокль
CELESTRON NexStar 130 GT-SA
SKY-WATCHER SKP25012EQ6

Оффлайн Alexandr_V

  • *****
  • Сообщений: 1 999
  • Благодарностей: 165
  • Melezhy Astrophoto Observatory L72
    • Сообщения от Alexandr_V
Re: Радионаблюдения метеоров
« Ответ #129 : 10 Сен 2008 [16:56:22] »
Вы в принципе правы. Действительно можно использовать сигнал АРУ для регистрации сигнала. Единственное дополнение, сигнал должен сниматься с датчика АРУ, а не после фильтра. В этом случае Вы имеете чистую огибающую. Да, по ней действительно можно судить о наличии сигнала. Но следует отметить, что при такой реализации Вы теряете информацию о доплере.

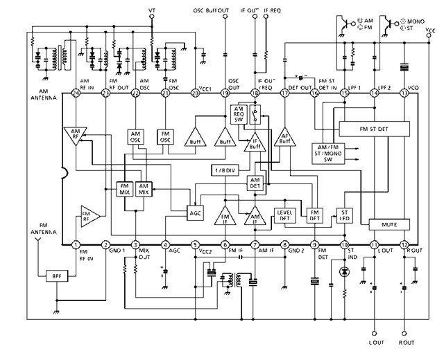
Вот Вам структурная схема тошибовской микросхемы, приемник на которой Вы привели в качестве примера.

Вообще описание у них не самое хорошее, но по-моему Вам нужен сигнал не на 4-м выводе, а на 17-м (detector out).
« Последнее редактирование: 10 Сен 2008 [16:59:04] от Alexandr_V »
BKP2501OTA+paracorr II, QHY9m, WS180GT, Starlight Lodestar X2, off-axis guide;
ED80+0.85ред, QHY8L, DS90/500 QHY6 guide;
Мои фотоработы

Оффлайн 1212Lupus

  • *****
  • Сообщений: 3 094
  • Благодарностей: 196
  • Мне стал не очень нравиться этот форум...
    • Сообщения от 1212Lupus
    • http://belastro.net
Re: Радионаблюдения метеоров
« Ответ #130 : 13 Сен 2008 [08:08:59] »
По многочисленным и неоднократным просьбам...

Мной написано "Краткое руководство по работе с программой SpectrumLab в приложении к радиометеорным наблюдениям (основные настройки)" (1,7 МБ, *.pdf ) -- руководство по настройкам программы SpectrumLab применительно для радионаблюдений. Я коснулся только основных моментов (хотя и это заняло объём в 38 страниц), тем не мение надеюсь это руководство будет полезно тем, кто начинает знакомство с это программой.

Сразу скажу, мануал писался мной по ночам, так что если будут опечатки или какие недочёты -- не серчайте. :) Просто сообщите мне о недочётах, непонятных местах и т.д. Опечатки я сам исправлю. ;)

Про скриптовый язык программы я много не описывал -- лишь общую идеологию и описание основных команд. Но без их знания рассматривать готовые скрипты очень сложно.

Данное руководство я вставлю и расширю во второй том "фолианта".
Радиоастрономы-любители -- объединяемся!


Если утро наступает в три -
Через два часа уже зажгут фонари.
Уже кончился день, а я только встал,
А я только что встал и уже устал.
(с) НОЛЬ

Оффлайн 1212Lupus

  • *****
  • Сообщений: 3 094
  • Благодарностей: 196
  • Мне стал не очень нравиться этот форум...
    • Сообщения от 1212Lupus
    • http://belastro.net
Re: Радионаблюдения метеоров
« Ответ #131 : 13 Сен 2008 [16:14:24] »
Обращаю внимание на предложения, выделенные  мануале красным шрифтом -- это предупреждения, которые я делал, чтобы народ не наступил на явные и неявные "грабли". Очень советую их соблюдать.  ;)

P.S. Иногда в тексте встречаются обозначения типа {см. Гл.}, закрашенные красным цветом. Не обращайте внимание -- это мои пометки-маркеры, куда я буду вставлять ссылки на главы и параграфы "фолианта", в которых буду описывать моменты, бегло упомянутые в мануале.
Радиоастрономы-любители -- объединяемся!


Если утро наступает в три -
Через два часа уже зажгут фонари.
Уже кончился день, а я только встал,
А я только что встал и уже устал.
(с) НОЛЬ

Оффлайн Alfred

  • ***
  • Сообщений: 128
  • Благодарностей: 2
  • www.ham-radio-sky.jimdo.com
    • Сообщения от Alfred
    • Любительская радиоастрономия
Re: Радионаблюдения метеоров
« Ответ #132 : 17 Сен 2008 [00:50:36] »
Цитата
В приемнике АРУ (автоматическое регулирование усиления) не усиливает слабый сигнал, а  наоборот управляет усилителем  для занижения  усиления,  тем самым делая амплитуду сигнала строго определенного уровня. Т.е. когда нет сигнала - усиление максимально. Когда слишком сильный - уровень усиления автоматически занижается.
Мужики! Вы как то само понятие АРУ искажаете!
Поясняю (грубо): АРУ было изобретено и применятся для выделения слабых сигналов над уровнем атмосферных помех. Другими словами АРУ должно срабатывать при определенном уровне входного сигнала в УПЧ. Оно снижает усиление до и/или последующих каскадов, позволяет принимать минимальные сигналы с максимальной чувствительностью РПУ, снижая чувствительность на максимальном (отрегулированном) сигнале. Что Мы поимеем если отключим АРУ. В этом случае макимальные сигналы пройдут все цепи усиления/детектирования на неконтролируемых уровнях, что вызовет нелинейные искажения в смесителях и последующих каскадах усиления. Кому нужен нелинейноискаженный и далее усиленный в ПЧ и УНЧ сигнал??? Настраивая АРУ МЫ всегда знаем ее порого срабатывания, а значит можем внести ЛИНЕЙНЫЕ ( с учетом логарифмики "децибелов") поправки в принимаемый уровень сигнала (простейший S-метр). Другими словами, РПУ без АРУ - это..."затычка", пылесос для помех!!!
Цитата
Вы в принципе правы. Действительно можно использовать сигнал АРУ для регистрации сигнала. Единственное дополнение, сигнал должен сниматься с датчика АРУ, а не после фильтра. В этом случае Вы имеете чистую огибающую. Да, по ней действительно можно судить о наличии сигнала. Но следует отметить, что при такой реализации Вы теряете информацию о доплере.
Абсолютно правдивое замечание.
Цитата
Сразу скажу, я в вопросах антенн и радионаблюдений  не очень разбираюсь,
Поменьше бы НАМ таких "спецов"...
Цитата
Так как вход звуковой карты рассчитан на прием переменного (звукового сигнала), а мы собираемся подавать медленно изменяющийся порядка (1-3 секунды всплески - 1-3 Герца), в звуковой карте вместо входного развязывающего конденсатора надо поставить резистор.
Много Я в жизни АХИНЕИ повидал... Вот, например, пример...Могу пояснить. Хотя, нет, вопрос! А чем реактивное сопротивление емкости отлично в нашем случае от активного сопротивления резистора? Попрошу отсечку питающего непряжения не усматривать.... (имею в виду вход звуковой карты ПК).
КОЛЛЕГИ РАДИО-ЛА, ВЫ ЗНАЕТЕ..., и ЭТА ТЕМА ВАМ НИ ЧЕГО О НАБЛЮДЕНИЯХ И МЕТОДАХ ИХ ОБРАБОТКИ НЕ СКАЖЕТ!!! КАК СПЕЦОМ УХОД ОТ ТЕМЫ, ТИПА "НА ЗАКАЗ".....
Пусть меня на этом форуме второй раз , хоть навечно забанят, в обход "стукачей" типа ALEKSANDR_V, но заказ отхода от основной темы "радионаблов" и так виден!!!
"Продающий китайскую оптику, не станет быстро продавать китайский приемник...".

Именно в этой теме хочу сообщить коллегам - радиоастрономам-любителям новость.
Возглавляемая мною (Крохмаль Альфред Викторович,RM4HM) группа из радиолюбителей и ЛА вплотную подошла к созданию российской,любительской радиоастрономической сети и открытию своего сайта. В ближайшие дни начнёт (уже начал) работу первый этап проекта -"Радиометеорный патруль". Российские радиоастронаблюдатели, желающие принять практическое участие в работе сети,могут написать мне на e-mail: rm4hm@rambler.ru
Огромное спаисибо сайту www.belastro.net (в отличие от т Вашего, извините, тупозакомплексованного сайта) в том, что стала возможна полноценная работа нашей группы, изучение теории интересующих НАС вопросов, овладевание, сопутствующих наблюдениям, астрорадиопрограмм.
Искреннее СПАСИБО www.belastro.net от: Альфред Крохмаль (г.Сызрань, RM4HM), Алексей Гузанов (Ульяновская обл., п.Октябрьский, RA4LNS), Александр Гончаров (г.Сызрань, RA4HUV), Виктор Крохмаль (г.Красноярск, RU0ABD), Юрий Янчук (г.Красноярск, UA0AAG), Александр Степанов (г.Красноярск, UA0AAU), Игорь Савохин (г.Хабаровск, RA0CBG)!!!

« Последнее редактирование: 22 Сен 2008 [11:07:27] от Alfred »
Не всякая пустота прозрачна...

Оффлайн Alexandr_V

  • *****
  • Сообщений: 1 999
  • Благодарностей: 165
  • Melezhy Astrophoto Observatory L72
    • Сообщения от Alexandr_V
Re: Радионаблюдения метеоров
« Ответ #133 : 17 Сен 2008 [14:04:20] »
Пусть меня на этом форуме второй раз , хоть навечно забанят, в обход "стукачей" типа ALEKSANDR_V, но заказ отхода от основной темы "радионаблов" и так виден!!!
1. Обращение к администраторам форума с целью защиты от оскорблений в свой адрес "стукачеством" не считаю;
2. Заявляю о недопустимости подобных высказываний в мой адрес;
3. За цитированный пост требую извинений!
BKP2501OTA+paracorr II, QHY9m, WS180GT, Starlight Lodestar X2, off-axis guide;
ED80+0.85ред, QHY8L, DS90/500 QHY6 guide;
Мои фотоработы

Оффлайн BARS1996

  • ****
  • Сообщений: 253
  • Благодарностей: 2
    • Сообщения от BARS1996
    • 8-910-409-99-90
Re: Радионаблюдения метеоров
« Ответ #134 : 17 Сен 2008 [20:26:36] »
АЛЬФРЭДУ
Не хочу обьяснять чем отличается активное сопротивление от реактивного. Вы и так знаете, что и в осцилографе есть переключатель для измерения постоянного напряжения и переменного, для чего это и как работает Вы и сами я думаю знаете. Можете не отвечать.
Хочу сказать, что общаемся мы здесь как Любители Астрономии - а это хобби - приятное занятие, которое помогает нам отдыхать морально от повседневных жизненных трудностей и забот.  Переворот в науке от наших потуг не грозит.
И если Вы что-то знаете больше других из данной теме форума можете поделиться Вашими знаниями с НЕ СПЕЦИАЛИСТАМИ. А то создается впечатление что Вы тут общаетесь с неграмотными людьми и из-за этого у Вас безмерное горе от ума.
Не надо быть столь воинствующим ЛА. А то создается впечатление, что у Вас там какая то секта никем не понимаемых и обиженных подпольных радиоастрономов, но о которой потом все узнают и поймут...
Мы здесь общаемся и пытаемся почерпнуть интерисующую информацию ради собственного удавольствия, а не для того чтобы открыть страницу форума и уйти с испорченным настроением из-за некоторых столь агрессивных любителей которым в домашних условиях кажется что они секретные физики ядерщики.
бинокль
CELESTRON NexStar 130 GT-SA
SKY-WATCHER SKP25012EQ6

Оффлайн BARS1996

  • ****
  • Сообщений: 253
  • Благодарностей: 2
    • Сообщения от BARS1996
    • 8-910-409-99-90
Re: Радионаблюдения метеоров
« Ответ #135 : 22 Сен 2008 [02:13:38] »
Это на форуме легко быть таким смелым в оскарблениях.
Это от ощущения БЕЗНАКАЗАННОСТИ и чувства, что не прийдется по МУЖСКИ ответить при личной встрече.
Мне 35 лет, я подполковник, могу еще и научить хорошим манерам. Есть желание похамить - жду в гости.
« Последнее редактирование: 22 Сен 2008 [02:35:54] от BARS1996 »
бинокль
CELESTRON NexStar 130 GT-SA
SKY-WATCHER SKP25012EQ6

Оффлайн 1212Lupus

  • *****
  • Сообщений: 3 094
  • Благодарностей: 196
  • Мне стал не очень нравиться этот форум...
    • Сообщения от 1212Lupus
    • http://belastro.net
Re: Радионаблюдения метеоров
« Ответ #136 : 22 Сен 2008 [02:59:55] »
Ну не славяне прямо, а жители кавказского аула... Похватались за ножи и понеслась.

Мужики, может прекратите ругаться? Альфред, ну нельзя же так... Я понимаю, что я молодой и т.д., но призывать всех, вторя коту Леопольду, жить мирно мне уже становится напряжно.

Да, большинство на этом форуме, а тем более читающие эту и родственные ей темы, "теоретики". Кто-то пытается совмещать и теоретические изыскания, и напильником с паяльником поработать... Разве плохо, что есть те, кто знает и может расказать теорию, а кто-то может и знает как воплотить её в жизнь?! Увы, но практикующих радиометеорщиков на просторах СНГ можно пересчитать по пальцам (хватит пальцев двух рук), причём 1/3 "радиометеорных обсерваторий" находится в Беларуси, одна на Украине, остальные -- в России.

Из новостей белорусской радиометеорной сети BeNRaMO:
Иван Сергей (Молодечно) заканчивает внесение в базу данных по радионаблюдениям за половину текущего года. Потом я буду это всё обрабатывать и результаты обнародуем. По отдельным потокам (а если всё будет хорошо -- то и по общей кривой за полгода) напишем парочку статей в WGN. Как разгребусь с работой, поеду к нему -- обновлю систему регистрации, поставлю СОМ-интерфейс для ColorGramme или METEOR v.8, чтобы была автоматизация наблюдений. Заодно посканируем ТВ-частоты в его местности -- Иван высказал желание купить нормальный приёмник.
Кстати, Альфред, хочу тебе тоже предложить в соавторстве написать статью по твоим радионаблюдениям -- самый что ни на есть научный выход работы.

Я (Минск) сегодня сделал диполь на 50-60 МГц для более продуктивного поиска свободной ТВ-несущей. Очень надеюсь, что это поможет, т.к. южное направление просканировано по списку полностью (сотни станций, десятки часов прослушивания и просматривания в FFT-программах радиоэфира...), и результаты не особо радуют -- наблюдения с часа ночи до 5 утра можно вести на многоих частотах, в остальное время -- сильная зашумленность, поэтому чувствительность снижается. Буду пытаться прослушать западное направление (надо, чтобы прекратились дожди, которые уже вторую неделю идут и просохла крыша, т.к. диполь надо ставить на мачту -- иначе экранирует соседний дом. Крыша двухскатная, так что снова полезем в альпинистской обвязке со страховкой и т.д.).
Мы сейчас на базе минского Планетария организуем астроклуб, так что как минимум ещё одну точку радионаблюдений там я планирую сделать. Пока, конечно, на базе FM-магнитолы. Буду привлекать к этому делу молодёжь  ;D
"Фолиант" по радионаблюдениям метеоров постепенно пишется -- в настоящее время два "тома" в сумме занимают почти 170 страниц А4.

Макс Котов в Узде поставил диполь и протянул фидер. Будет слушать на Degen 1103. Правда пока я его не дёргаю -- ещё месяц после его свадьбы не прошёл. :) Потом съездим и туда -- посмотрим что к чему (хотя Макс и сам сечёт неплохо в электронике).

Гомельчане пока затихли, но я им спуску не дам -- надо будет осведомиться, что у них и как.

Так что мы не спим, мы работаем. ;)

Из твоих сообщений знаю, что вы развернули свою российскую радиоастрономическую (покуда радиометеорную и радиоюпитерианскую) сеть. Это отлично!

Киевляне достраивают антенну, к концу месяца обещают поставить на крыше.

Так что всё нормально -- общея сеть постепенно разворачивается, и отчаиваться и злиться нет причин. Опытных в радиолюбительстве среди нас немного (исключение -- только ваша российская сеть, где все мемберы -- радиолюбители). В составе BeNRaMO и киевлян радиолюбителей нету, но я в меру своих знаний и опыта стараюсь всем помочь (сам видишь -- то туда надо съездить, то сюда, то тем дать совет по созданию антенны и пр. оборудования, то этим...). Пока у нас не всё гладко, но этои понятно -- вам намного проще, т.к. у вас опыт за плечами в области радиолюбительства + техника хорошая у всех (снова же потому что радиолюбители). Конечно, я оправдываюсь, а что ж ещё остаётся? Пока у нас полноценно работает только Иван Сергей (в FM-диапазоне). Я всё никак не могу подобрать ТВ-частоту, но надеюсь на успех (ты сам страдал от этого, так что понимаешь).

В общем, давайте будем терпимее друг к другу. Мы все разные и не можем делать всё одинаково быстро и хорошо.
Пусть те, кто не хочет/не может заниматься практическими радионаблюдениями, но "болеют" за это дело и знают теоретические и практические аспекты помогут тем, кто воплощает всё в практике и нуждается в советах. И не будем кидать камни в друг друга -- теоретики и практики. Это ничего позитивного не даст. Всё равно практикующих радиометеорщиков будет в разы меньше, чем специалистов в радиоэлектронике. Это естественное состояние дел и не надо биться головой о стену, что нас не становиться в два раза больше за каждый месяц -- хорошо, если на 1-2 радиометеорщика прибавится в год. Это будет большое дело, т.к. область эта специфическая и просто покупкой готовых "девайсов" дело не делается.

Ещё раз прошу помириться всем и продолжать конструктивную беседу. Вопросов ещё много и они будут всё время, т.к. как я уже сказал из радиометеорщиков СНГ большая часть не имеют большого опыта в радиолюбительстве.

Это научные разделы, а не "Клуб..." (я бы назвал "Бардак..."  ;D), где драки каждый день. Тут силён не крепким словцом, а крепким знанием и умением.

Вот такой я весь правильный.  ;D Осень действует...
« Последнее редактирование: 22 Сен 2008 [03:12:55] от 1212Lupus »
Радиоастрономы-любители -- объединяемся!


Если утро наступает в три -
Через два часа уже зажгут фонари.
Уже кончился день, а я только встал,
А я только что встал и уже устал.
(с) НОЛЬ

Оффлайн Alexandr_V

  • *****
  • Сообщений: 1 999
  • Благодарностей: 165
  • Melezhy Astrophoto Observatory L72
    • Сообщения от Alexandr_V
Re: Радионаблюдения метеоров
« Ответ #137 : 22 Сен 2008 [11:00:19] »
2 BARS1996
Если отвлечься от эмоций, ваша идея, что можно использовать сигнал АРУ для обнаружения сигнала, вполне логичная. Обнаружение должно производится по огибающей, которую вы и имеете с датчика АРУ в чистом виде. Анализируя сигнал АРУ можно получить информацию о мощности шума в канале и провести пороговое обнаружения сигнала. Анализируя запись выходного сигнала, проведенную в моменты времени, когда сигнал обнаружен, можно получить информацию о доплере.
« Последнее редактирование: 22 Сен 2008 [11:02:50] от Alexandr_V »
BKP2501OTA+paracorr II, QHY9m, WS180GT, Starlight Lodestar X2, off-axis guide;
ED80+0.85ред, QHY8L, DS90/500 QHY6 guide;
Мои фотоработы

Оффлайн Alfred

  • ***
  • Сообщений: 128
  • Благодарностей: 2
  • www.ham-radio-sky.jimdo.com
    • Сообщения от Alfred
    • Любительская радиоастрономия
Re: Радионаблюдения метеоров
« Ответ #138 : 22 Сен 2008 [11:44:49] »
Цитата
Не надо быть столь воинствующим ЛА. А то создается впечатление, что у Вас там какая то секта никем не понимаемых и обиженных подпольных радиоастрономов, но о которой потом все узнают и поймут...
Секты нет. МЫ приглашаем к деловому партнерству всех, кому интересна данная тематика. Однако, в нашей  группе присутствую люди, которым надоела пустая болтовня!
Цитата
Кстати, Альфред, хочу тебе тоже предложить в соавторстве написать статью по твоим радионаблюдениям -- самый что ни на есть научный выход работы.
Виталий, ты больший спец в теории вопроса нежели я. По практике кое в чем могу помочь. Сообщи конкретную тему задуманной тобой статьи и что необходимо от меня. ???
Цитата
Пусть те, кто не хочет/не может заниматься практическими радионаблюдениями, но "болеют" за это дело и знают теоретические и практические аспекты помогут тем, кто воплощает всё в практике и нуждается в советах.
Виталий, не вижу я во многих постах этой самой помощи! Что толку обсуждать технику? Мы не в 70-х годах прошлого столетия живем! Да и кто будет курочить свой приемник, приобретенный за не совсем малые деньги, дабы сигнал АРУ вывести из него и применить? А по теории вопроса я пока ни чего не увидел!
ВСЕМ присутствующим здесь "спецам" хочу предложить тему по обработке наблюдений и поиску новых, слабых потоков. А то, Виталий, в той информации что ты мне прислал, много специфики и статьи, к сожалению, на английском языке. Приходится много тратить времени на адекватный перевод на русский язык.
Цитата
Если отвлечься от эмоций, ваша идея, что можно использовать сигнал АРУ для обнаружения сигнала, вполне логичная. Обнаружение должно производится по огибающей, которую вы и имеете с датчика АРУ в чистом виде. Анализируя сигнал АРУ можно получить информацию о мощности шума в канале и провести пороговое обнаружения сигнала. Анализируя запись выходного сигнала, проведенную в моменты времени, когда сигнал обнаружен, можно получить информацию о доплере.
Что делать, если сигнал присутствует, а АРУ не срабатывает в силу малой величины сигнала? ;D
Цитата
Из твоих сообщений знаю, что вы развернули свою российскую радиоастрономическую (покуда радиометеорную и радиоюпитерианскую) сеть. Это отлично!

Киевляне достраивают антенну, к концу месяца обещают поставить на крыше.
Мои сотоварищи из Красноярска выбрали следующее направление (см. вложение, ORD 1450km), уже есть первые наблюдения в HROFFT. В данный момент их и просматриваю, результат положительный. Так что к Орионидам МЫ готовы.
Сам я немного "подразорил" семейный бюджет.... Произвел заказ на покупку радиосканера японской фирмы ICOM, IC-R8500. Антенны диапазонов 178 и 420Мгц на поворотном устройстве фирмы Yaesu G-550, установленны на выездном QTH. Сделан заказ на параболу диаметром 3м совместно с переключаемым преобразователем от 1.2 до 2Ггц. Авось (!) и внегелактические объекты "возмем"!
Цитата
Опытных в радиолюбительстве среди нас немного (исключение -- только ваша российская сеть, где все мемберы -- радиолюбители).
Опыт - дело наживное. Я же просто возрождаю ODR.
« Последнее редактирование: 22 Сен 2008 [13:28:45] от Alfred »
Не всякая пустота прозрачна...

Оффлайн Alexandr_V

  • *****
  • Сообщений: 1 999
  • Благодарностей: 165
  • Melezhy Astrophoto Observatory L72
    • Сообщения от Alexandr_V
Re: Радионаблюдения метеоров
« Ответ #139 : 22 Сен 2008 [12:31:40] »
Что делать, если сигнал присутствует, а АРУ не срабатывает в силу малой величины сигнала? ;D
Если вы объясните, что означает "срабатывание" применительно к чисто аналоговой схеме детектора ару, возможно мы сможем посмеяться вместе.
BKP2501OTA+paracorr II, QHY9m, WS180GT, Starlight Lodestar X2, off-axis guide;
ED80+0.85ред, QHY8L, DS90/500 QHY6 guide;
Мои фотоработы